文章推荐:深入理解MOSFET规格书/datasheet
■MOSFET的全称为:metal oxide semiconductor field-effect transistor,中文通常称之为,金属-氧化层-半导体-场效晶体管.
■MOSFET最早出现在大概上世纪60年代,首先出现在模拟电路的应用。
■功率MOSFET在上世纪80年代开始兴起,在如今电力电子功率器件中,无疑成为了最重要的主角器件。
■耐压:通常所说的VDS,或者说是击穿电压。那么一般MOS厂家是如何来定义这个参数的呢?
■上面这个例子显示,当驱动电压为0,Vds达到200V的时候,Id这个电流达到了250uA,这个时候认为已经达到击穿电压。
■不同的厂家对此定义略有不同,但是基本上来说,当电压超过击穿电压,MOS的漏电流就会急剧上升。
■导通电阻:
■MOSFET在导通之后,其特性可以近似认为是一个电阻
■上面这个例子表示,在驱动电压为10V的时候,导通电阻为0.18欧姆
■导通电阻的温度关系:
■MOS的导通电阻随温度上升而上升,下图显示该MOS的导通电阻在结温为140度的时候,为20度时候的2倍。
■导通阀值电压:就是当驱动电压到达该值之后,可认为MOS已经开通。
■上面这个例子,可以看到当Vgs达到2-4V的时候,MOS电流就上升到250uA。这时候可认为MOS已经开始开通。
■驱动电压和导通电阻,最大导通电流之间的关系
■从下图可以看到,驱动电压越高,实际上导通电阻越小,而且最大导通电流也越大
■导通阀值电压随温度上升而下降
■MOSFET的寄生二极管
■寄生二极管比较重要的特性,就是反向恢复特性。这个在ZVS,同步整流等应用中显得尤为重要。
■MOSFET的寄生电容
■这三个电容的定义如下:
■MOS的寄生电容都是非线性电容,其容值和加在上面的电压有关。所以一般的MOS厂家还会用另外一个参数来描述这个特性:
■用电荷来描述
MOSFET的驱动技术■MOS虽然是电压型驱动,但是由于寄生电容的存在,必须要求驱动电路提供一定的驱动电流。
■较小的驱动电流,会导致MOS的GS电压上升缓慢,降低了开关速度,提高了开关损耗。
■米勒电容Cgd
■米勒电容虽然看起来很小,但是对驱动的影响很大,特别在VDS比较高的场合。但是在ZVS和同步整流等应用中,由于VDS会在驱动上来之前,下降到零,就不存在这个问题。
■上面的例子定义驱动能力为峰值电流(在特定条件下)
■有些厂商就用内阻来定义驱动能力。
■当IC本身的驱动能力不足的时候,就需要外加驱动电路来增强驱动能力,以达到快速开关MOS的需求
■1.采用分立器件,比如图腾柱。
■2.采用集成的驱动IC.
■MOSFET的低端(low side)驱动:
■所谓低端驱动,就是驱动电路的参考地,就是MOS的S端。
■低端驱动,电路往往比较简单,除了驱动能力之外,还是需要注意一些细节。
■MOSFET的高端(High Side)驱动
■很多情况下,MOSFET的S极并不是IC的参考地,比如BUCK开关管,桥式电路的上管……
■自举驱动,利用自举电路,自动抬升供电电压。自举的驱动芯片种类很多,但是需要注意其耐压。
■对于二极管整流的buck,自举驱动需要注意的问题。
■利用变压器隔离驱动:
■对于浮地的MOS,或者和IC隔离的MOS,通常可以采用变压器隔离驱动
■变压器隔离驱动的关键:
■变压器隔离驱动关键考虑的问题,就是变压器的复位,比较常用是利用隔直电容来复位,但是需要注意的是,采用隔直电容之后,有可能变压器传递的电压幅度和占空比有关。需要考虑变压器的变比。
■对于跨初次级的驱动变压器,还需要考虑其耐压的问题。
■利用简单倍压电路来抬升驱动电压。
■下图的驱动电路,可以传递大占空比的驱动信号,而且可以让驱动电压不下降。
■隔直电容带来的问题:
■由于隔直电容会储存能量,所以在驱动消失之后,隔直电容会和变压器产生谐振,导致驱动电路传递错误的驱动信号。
■为了降低这个问题的影响。可以利用这些电阻来阻尼这个震荡。
■对具有隔直电容的驱动电路,有些IC会植入soft stop的功能:在关机时候,让驱动的占空比逐渐降低到0.
■为了避免这个隔直电容带来的问题,可以采用无电容的变压器驱动电路。
■如果用IC直接驱动变压器,那么需要注意:
■同步整流驱动,需要注意逻辑的问题
■同步整流2个管子的驱动关系为互补,但是当主管长时间关断的时候,整流管就会出现长时间导通的情况。
■所以在关机的时候,不能简单的把主管驱动信号置低,而要同时把整流管的驱动信号也置低。
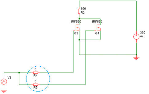
■MOS的并联驱动,并联驱动要尽量保证每个管子的驱动线对称。


-
- 13425790909
-
0 发帖41 回复82 积分
- 私信他 +关注
块
导
航
举报
请选择举报类别
- 广告垃圾
- 违规内容
- 恶意灌水
- 重复发帖