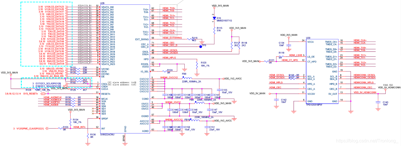
HDMI OUT接口
开发板配有高清晰度HDMI输出接口,支持1080p高清视频,其硬件位置及原理图如下图所示:
图 13
图 14
图 15
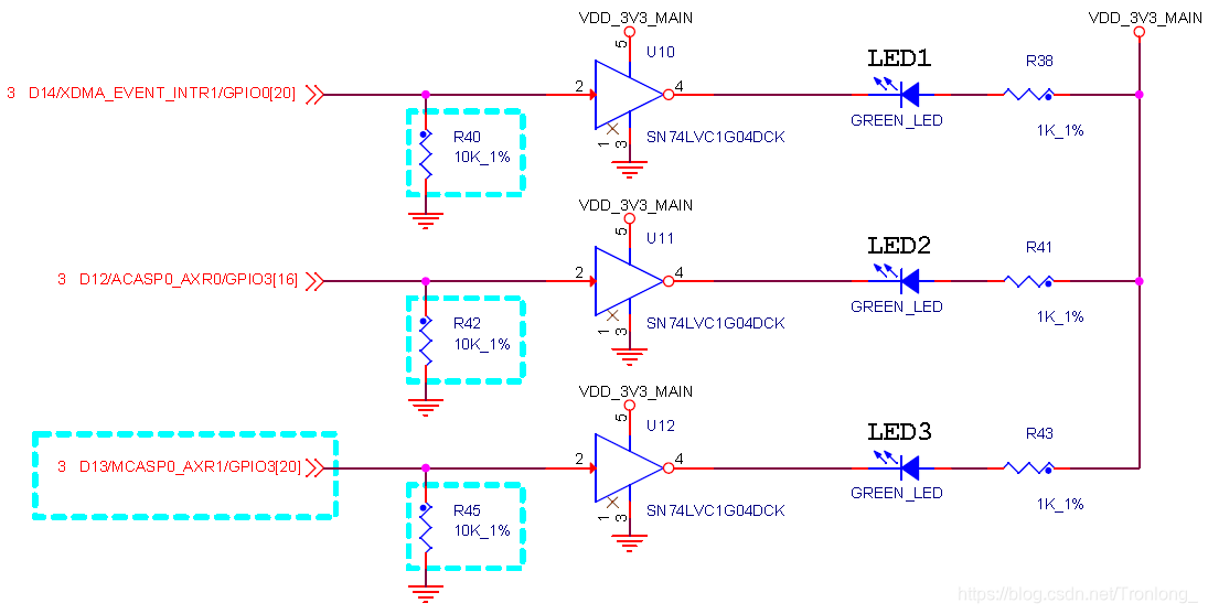
LED指示灯
底板上包含有1个电源指示灯LED0、3个用户可编程指示灯LED1、LED2和LED3,其硬件位置及原理图如下图所示:
图 16
图 17
按键
5个按键包含1个复位按键KEY1,1个长按睡眠按键KEY2,1个唤醒按键KEY3,2个可编程输入按键(含1个非屏蔽中断按键)KEY4和KEY5。其硬件位置及原理图如下图所示:
图 18
图 19
图 20
串口
开发板上共引出了3个串口,分别为CON4、CON6、CON8,其中CON4为Micro USB调试串口(UART3)、CON6为RS232串口(UART0)、CON8为RS485串口(UART1)。其硬件位置及原理图如下图所示:
表 1
|
串口名称 |
开发板位置 |
串口说明 |
|
Micro USB |
CON4 |
通过CH340芯片转成Micro USB接口 |
|
RS232 |
CON6 |
通过SP3232EEY-L/TR串口电平转换芯片转成RS232串口,使用9针DB9接口 |
|
RS485 |
CON8 |
使用3位接线端子 |
图 21
图 22
图 23
图 24
BOOT SET启动选择开关
SW2设有5位拨码开关,如下图方向放置,拨码向ON方向拨动为1,向ON的相反方向拨动为0,其硬件位置及原理图如下图所示:
图 25
图 26
Micro SD接口
Micro SD卡接口,主要用于外接大容量数据存储,其硬件位置及原理图如下图所示:
图 27
图 28
图29
回复
举报
块
导
航
举报
请选择举报类别
- 广告垃圾
- 违规内容
- 恶意灌水
- 重复发帖

发帖
回复
楼主

















