分享到:
处理器
TI AM437x是一款高性能嵌入式32位工业级Cortex-A9处理器。拥有多种工业接口资源,以下是AM437x CPU资源框图:
RGMII千兆以太网口
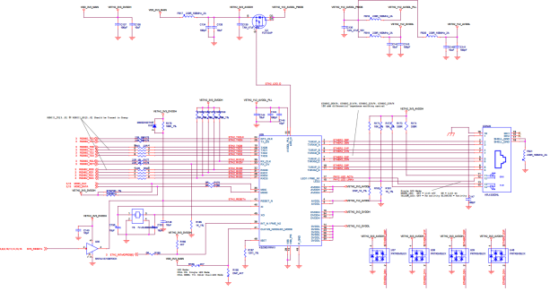
开发板配备了两个RGMII千兆以太网口CON19和CON20,采用了KSZ9031RNXI网络芯片,可自适应10/100/1000M网络,RJ45连接头内部已经包含了耦合线圈,因此不必另接网络变压器,使用普通的直连网线即可连接本开发板至路由器或者交换机,若是PC和开发板直接相连需要使用交叉网线。网络接口的接口定义如下图:
(0 )
(0 )
回复
举报
-
- 0000000000000000
-
1888 发帖7917 回复34980 积分
- 私信他 +关注
发表回复
版
块
导
航
块
导
航
举报
请选择举报类别
- 广告垃圾
- 违规内容
- 恶意灌水
- 重复发帖

发帖
回复
楼主



